Home
Download PDF
Order CD-ROM
Order in Print
GROUP 0106 ENGINE LUBRICATION SYSTEM-continued
GROUP 0106 ENGINE LUBRICATION SYSTEM - TM-10-3930-641-24P0067
TM-10-3930-641-24P Truck Container Handler: Rough Terrain 50 000 lb Capacity Diesel Engine (DED) Pneumatics Model DV43 Manual
Page Navigation
35
36
37
38
39
40
41
42
43
44
45
WP
0002
00
TM
10-3930-641-24P
TA703075
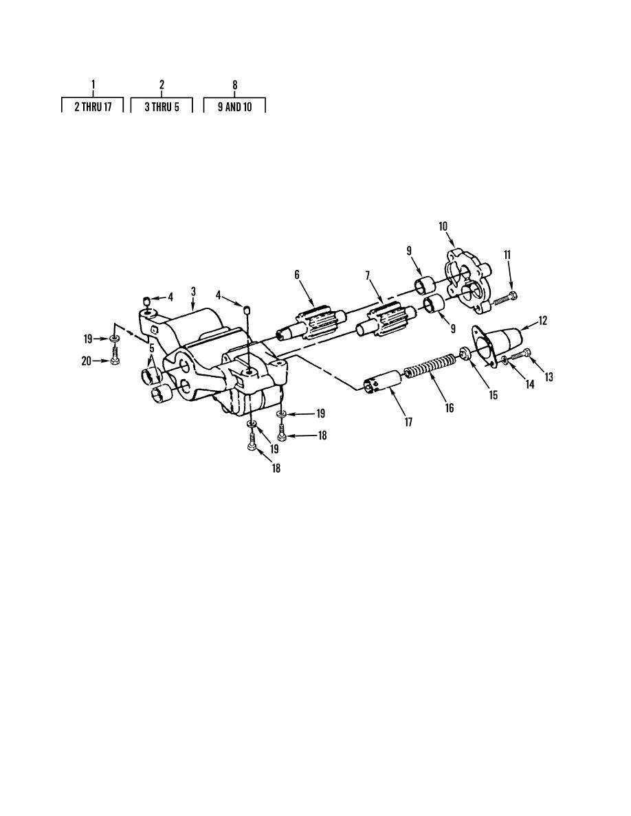
Figure
18.
Engine
Oil
Pump